氣動鉗盤式制動器
【所屬分類】氣動盤式制動器
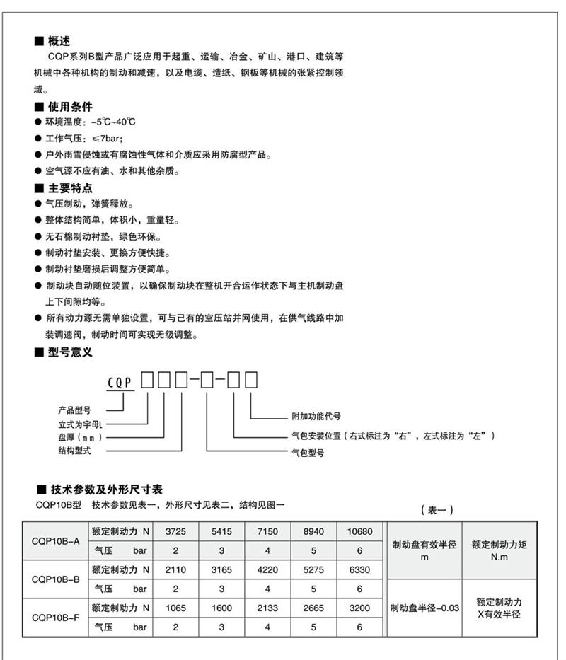
【產品描述】 ■ 概述?QP(CQP)系列氣動鉗盤制動器主要用于起重、運輸、冶金、礦山、港 口、建筑等機械中各種機構的制動和減速。 ■ 使用條件 ● 環(huán)境溫度:-5℃~40℃ ● 工作氣壓:QP系列為5- ......
點擊咨詢相關產品
歡迎進入焦作市金虹制動器有限公司|KSW3000350JH40|制動器生產廠家|官網!!!
【所屬分類】氣動盤式制動器
【產品描述】 ■ 概述?QP(CQP)系列氣動鉗盤制動器主要用于起重、運輸、冶金、礦山、港 口、建筑等機械中各種機構的制動和減速。 ■ 使用條件 ● 環(huán)境溫度:-5℃~40℃ ● 工作氣壓:QP系列為5- ......
點擊咨詢